English
子公司导航
兰迪真空玻璃
智能装备制造
擎天系列
金钢系列
雷霆系列
风行系列
智慧工厂
节能材料
兰迪V玻
社会责任
可持续发展
关顾员工
愿景目标
服务支持
客服宣言
售前服务
售后服务
我有疑问
常见问题
关于我们
企业概况
兰迪荣誉
发展历程
科技研发
联系我们
新闻中心
公司动态
成功故事
媒体报道
行业新闻
信息公示
人力招聘
人才理念
社会招聘
校园招聘
新媒体
图片
视频
展会
快速帮助入口
金钢系列
雷霆系列
风行系列
智慧工厂
公司动态
成功故事
媒体报道
行业新闻
首页
智能装备制造
金钢系列
雷霆系列
风行系列
智慧工厂
节能材料
兰迪V玻
社会责任
可持续发展
关顾员工
愿景目标
服务支持
客服宣言
售前服务
售后服务
我有疑问
常见问题
关于我们
企业概况
兰迪荣誉
发展历程
科技研发
联系我们
新闻中心
公司动态
成功故事
媒体报道
行业新闻
人力招聘
人才理念
社会招聘
校园招聘
新媒体
图片
视频
展会
线上展会
首页
新闻中心
公司动态
返回
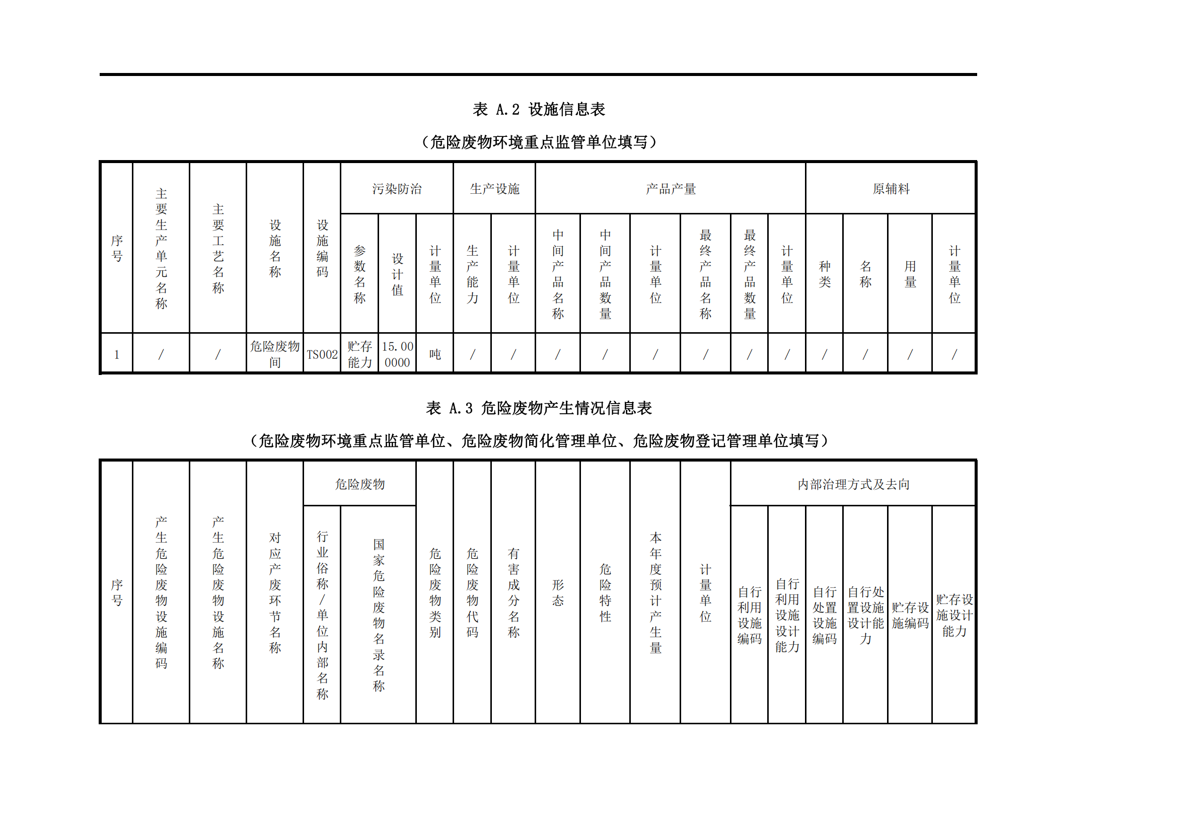
2026年度洛阳兰迪玻璃机器股份有限公司环保公示信息三
危险废物管理计划
发布时间:2026-01-31
阅读量:69
上一条:没有了
下一条
相关新闻推荐
更多新闻
2015-03-06
兰迪机器将参加2015年土耳其国际玻璃展
时间:2015年3月11日---3月14日地点:时间:伊斯坦布尔TUYAP会展中心(Tüyap Fair Convention and Congress Center)12号馆 304C展位介绍:土耳其国际玻璃展,…
阅读全文
2015-05-14
与您相约兰迪机器技术讲座
时间:2015年5月21日 上午10:00-11:30地点:中国国际展览中心, E1展馆 W104会议室介绍:在2015中国国际玻璃技术展上,兰迪机器召开主题为“兰迪对流技术的进展”的技术讲…
阅读全文
2025-11-07
兰迪智能钢化设备助力BSG Glass打造泰国高端建筑玻璃新标杆
泰国Techno Glass集团(BSG Glass)是泰国乃至亚太地区建筑玻璃领域的佼佼者。凭借五十余年的行业深耕与四百多名专业技术人员的支持,BSG Glass始终以创新驱动发…
阅读全文
2025-09-05
兰迪机器包揽赛区前十!应急管理普法竞赛展现企业安全文化硬实力
在刚刚结束的第六届全国应急管理普法知识竞赛中,兰迪机器生产制造厂以出色表现惊艳全场——不仅包揽洛阳市伊滨赛区前十名,更有一线员工李国勇以21830分的高分跻身洛阳市前…
阅读全文